1
/
of
1
Dana
Spicer 6.5-82-461-3 | (1810) Drive Shaft Yoke Shaft
Spicer 6.5-82-461-3 | (1810) Drive Shaft Yoke Shaft
Regular price
$1,015.28 USD
Regular price
Sale price
$1,015.28 USD
Unit price
/
per
Couldn't load pickup availability
Demand Genuine Spicer. Dana design, engineering, testing and manufacturing processes all work in conjunction with one another to ensure unparalleled performance that non-genuine parts simply cannot deliver.
View full details
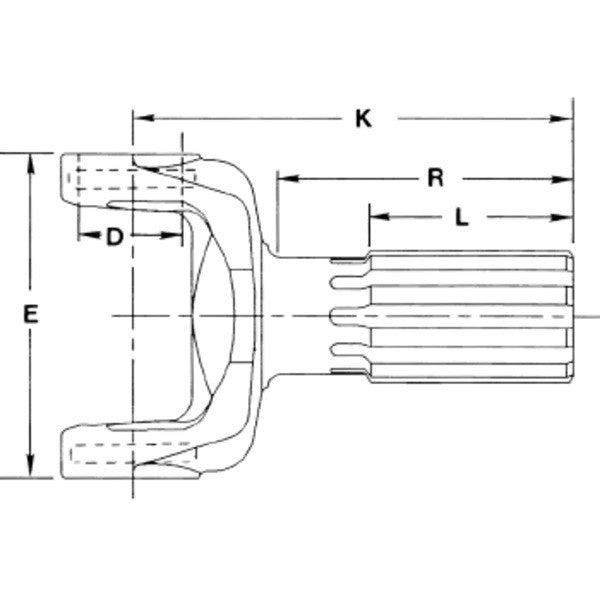
| Brand | Spicer |
|---|---|
| Series | 1810 |
| Angle #1 | 45 |
| Centerline To End Of Splne (K) | 13.188 |
| Major Spline Diameter | 3.000 |
| Spline Hole Minor Diameter | 2.578 |
| Spline Length (L) In | 4.500 |
| Spline Width | 0.281 |
| Style | BP |
| Package Qty | 1 |
| Package Type | EACH |
| Weight | 12.77 LB |
| Country of Origin | United States |
